
CYW-100B CYW-150B型不銹鋼差壓表(以下簡稱差壓表)適用于化工、化纖、冶金、電力等工業(yè)部門的工藝流程中測量各種液(氣)體介質的差壓、流量等參數。不銹鋼差壓表結構全部采用不銹鋼制成,其中的測量系統(tǒng)(雙波紋管及連接部件)、導壓系統(tǒng)(包括接頭、導管等)采用特種奧氏體不銹鋼制成,具有較強的耐腐蝕及抗工作環(huán)境侵蝕影響。儀表整體結構設計合理、具有體積小、重量輕、穩(wěn)定性好、使用壽命長、外觀新穎、適應性強等優(yōu)點。不銹鋼差壓表接頭的連接形式有平行式(可直接與三閥組連接)和斜式兩種,能夠適應不同用戶的配套安裝。
不銹鋼差壓表結構原理:
儀表采用雙波紋管結構,即兩只波紋管分別安裝在“工”字型支架兩側的對稱位置上。“工”字型支架的上下兩端分別為活動端和固定端,中間由彈簧片相連接;兩只波紋管呈平行狀態(tài),分別用導管與表殼上的高低壓接頭相連接;齒輪傳動機構直接安裝在支架的固定端,并通過拉桿與支架的活動端相連接;度盤則直接固定在齒輪傳動機構上。
儀表的工作原理:基于感壓元件采用兩只具有相同剛度的波紋管,因此在同一被測介質下迫使其產生相同的集中力分別作用于活動支架上,由于彈簧片兩側在等力矩作用下不產生擾度,故支架還處于原始位置,這樣齒輪傳動機構也不動作,使指針仍指在零位。
當施加不同壓力(一般高壓端高于低壓端)時,兩波紋管作用在活動支架上的力則不相等,使分別產生相應的位移,并帶動齒輪傳動機構傳動并予放大,由指針偏轉后指示出兩者之間的差壓值。
不銹鋼差壓表主要技術指標:
1、不銹鋼差壓表表盤直徑:φ100mm;φ150mm
2、差壓的測量范圍、公稱工作壓力、精度等級及接頭螺紋尺寸:
| 差壓的測量范圍 | 公稱工作壓力(靜壓) | 精度等級 | 接頭螺紋尺寸 | ||
|
0~400pa 0~600pa 0~1 0~1.6 0~2.5 0~4 0~6 0~10 0~16 0~25 0~40 0~60 0~100 |
KPa |
60;100 ;160; 250;400;600 |
KPa |
2.5 |
M20x1.5 NPT1/2 |
|
0~0.16 0~0.25 0~0.4 0~0.6 0~1 0~1.6 0~2.5 |
MPa |
1;1.6;2.5; 4;6;10;16 |
MPa | ||
|
零件名稱 |
材質牌號(代號) |
|
接頭、導管 |
0Cr18Ni9(304)、0Cr17Ni12Mo2(316) |
|
波紋管 |
0Cr18Ni9(304)、00Cr17Ni14Mo2(316L) |
|
表殼、表蓋、表環(huán) |
0Cr18Ni9(304) |
4、使用環(huán)境溫度:-40~70℃
5、重量:約1.5kg
6、儀表外殼防護等級:IP54
7、儀表技術性能符合企業(yè)標準Q/YXBM831-1997《不銹鋼差壓表》
8、抗工作環(huán)境振動:V.H.3級
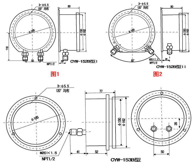
9.外形尺寸:
不銹鋼差壓表產品選型:
| 型號 | 型譜說明 | |||||||
| CYW | 不銹鋼差壓表 | |||||||
| 空白為不帶功能要求 | ||||||||
| N | 耐震型-差壓值要大于40KPa以上 | |||||||
| X | 帶電接點控制-差壓值要大于40KPa以上 | |||||||
| NX | 耐震帶電接點控制-差壓值要大于40KPa以上 | |||||||
| -100 | 表盤直徑100mm | |||||||
| -150 | 表盤直徑150mm | |||||||
| B | 接液材質304 | |||||||
| BF | 接液材質316 | |||||||
| 差壓量程 |
Pa:0~400; 0~600 KPa:0~1;0~1.6;0~2.5;0~4;0~6;0~10;0~16;0~25;0~40;0~60;0~100 MPa:0~0.16;0~0.25;0~0.4;0~0.6;0~1;0~1.6;0~2.5 |
|||||||
|
靜壓值
|
KPa:60;100 ;160;250;400;600 MPa:1;1.6;2.5;4;6;10;16 |
|||||||
| M/G/NPT | 螺紋連接及尺寸 | |||||||
| DN | 法蘭連接及尺寸 | |||||||
| RL-L= | 隔膜式軟管連接-長度 | |||||||
選型請注意差壓值與靜壓以及不同的功能對于差壓值的要求。